Категории
Кран шаровой стандартнопроходной 289 комбинированный
Характеристики
Макс. температура (Т) °С.: до +200 °С
Мин. температура (Т) °С.: до -40 °С (исп. У), до -60 °С (исп. ХЛ)
Класс герметичности: Класс «А» ГОСТ 9544-2015
Срок службы: Не менее 25 лет
Гарантийный срок: 3 года или не менее 10 000 циклов
Материалы корпуса: Сталь 20/09Г2С/12Х18Н10Т
Тип присоединения:
фланцевый/приварной
Рабочая среда:
Теплосетевая вода, нефтепродукты, ГСМ и другие рабочие среды, неагрессивные для материалов деталей крана.
Модификации
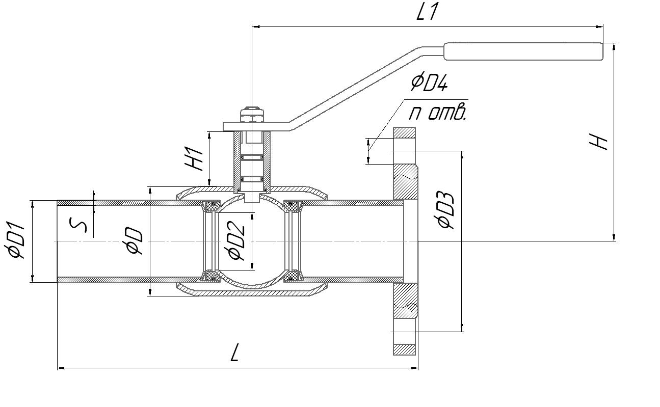
| Артикул | DN | PN | L | L1 | H | H1 | S | D | D1 | D2 | D3 | D4 | n отв. | |
|---|---|---|---|---|---|---|---|---|---|---|---|---|---|---|
| 28920015 | 15 | 40 | 165 | 158,8 | 70 | 15,5 | 2,8 | 42 | 22 | 10 | 65 | 14 | 4 | |
| 28920020 | 20 | 40 | 175 | 158,8 | 72,6 | 18,1 | 2,8 | 42 | 27 | 15 | 75 | 14 | 4 | |
| 28920025 | 25 | 40 | 195 | 158,8 | 74,6 | 17,1 | 3,2 | 48 | 32 | 18 | 85 | 14 | 4 | |
| 28920032 | 32 | 40 | 205 | 158,8 | 79 | 17 | 3,2 | 57 | 42 | 24 | 100 | 18 | 4 | |
| 28920040 | 40 | 40 | 225 | 243 | 129 | 37,5 | 3,5 | 60 | 48 | 30 | 110 | 18 | 4 | |
| 28920050 | 50 | 40 | 250 | 243 | 137,5 | 38 | 3,5 | 76 | 57 | 40 | 125 | 18 | 4 | |
| 28920065 | 65 | 16 | 275 | 243 | 143,5 | 37,5 | 3,5 | 89 | 76 | 48 | 145 | 18 | 4 | |
| 28920080 | 80 | 16 | 280 | 277,6 | 174,5 | 56 | 4 | 114 | 89 | 63 | 160 | 18 | 4 | |
| 289200100 | 100 | 16 | 300 | 277,6 | 184,1 | 56,1 | 5 | 133 | 108 | 75 | 180 | 18 | 8 |